Welcome to Hopeofdisabilities.com Join Now!  |  Log in
 
Blogs :: 876 Posts
 

hangzhouhzqj’s Blog Add to friends Subscribe to this blog

  Messages & Comments  

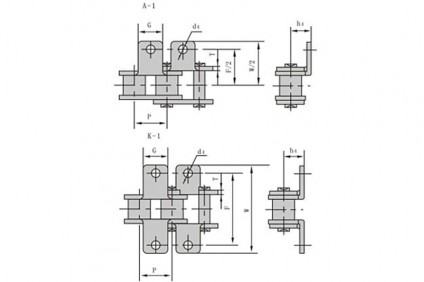
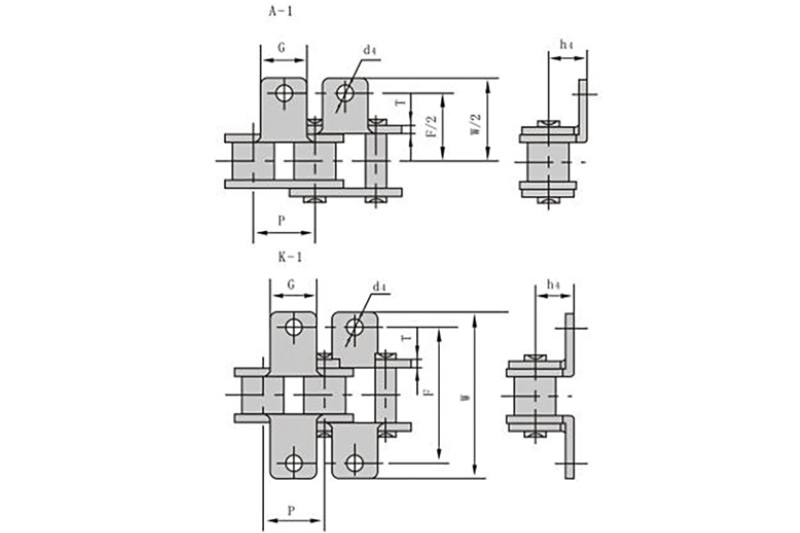
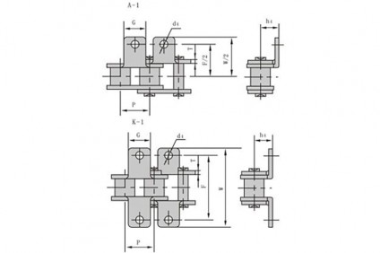
China Industrial Sprocket Company introduces how to maintain the conveyor chain?
1. The tightness of the stainless steel conveyor chain should not be too tight or too loose, otherwise the conveyor chain will be damaged.
2....

  • April 26 2021 at 05:03

China Transmission Chains Exporter introduced that the stainless steel chain is a kind of chain with corrosion resistance. The anti-rust countermeasures for the stainless steel chain of the air flotation machine can maintain...

  • April 19 2021 at 05:26

China Industrial Sprocket Company introduced the installation requirements of sprocket:
1. Choose the type of transportation based on the type.
2. Check whether the location of the installation and transmission is good,...

  • April 19 2021 at 05:20

When stainless steel chains are used in mechanical equipment, some dirt will inevitably be attached, most of which are carbon deposits and oil stains. However, there are many dead spots on the stainless steel chain. These...

  • April 12 2021 at 04:52

Manufacturers of Agricultural Chain remind mechanical chains to pay attention to the fact that after the gear is subjected to high-frequency treatment, the hardness of the tooth surface and the tooth top will meet the...

  • April 2 2021 at 03:28

Industrial Sprocket Manufacturers introduces the commonly used heat treatment methods for chains and timely treatment
Natural aging treatment: The aging phenomenon that occurs when the workpiece is stored at room...

  • March 22 2021 at 22:37

No matter what product is used, blind use will inevitably lead to some problems, which will affect the normal work process. For example, the noise of industrial chains often occurs in this way. Industrial Sprocket...

  • March 15 2021 at 03:43

Transmission Chain manufacturer introduces that the chain must be prepared to check whether there are screws in the chain before starting, and the structural parts are loose. Other materials that are not unrelated to...

  • March 10 2021 at 04:13

Lifting chains are chains that can be widely used in mines. The safety of lifting chains is high, but the chains cannot be welded. The following Motorcycle Chain Manufacturers will introduce why the lifting chains cannot be...

  • March 1 2021 at 01:30

The stainless steel lifting chain can adjust the length of the chain according to the lifting height of the lifting object. It is an indispensable and important lifting device for cranes. It plays an important role in...

  • February 22 2021 at 21:05
     

New Blogs

Hot Searches

  Search Term  
S�g tekst...   casino  
Søg tekst...   Search text...  
S?g tekst...   S�g  
S?g   S�g tekst...  
S�g tekst...   Søg tekst... ORDER BY 1