Приветствуем на Hopeofdisabilities.com Регистрация  |  Вход
 
Блоги :: 874 Посты
 

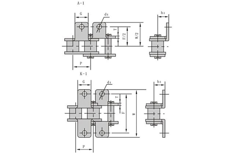
Transmission Chain Manufacturer Introduces The Details Of Using The Chain

  Сообщения и Комментарии  

Transmission Chain manufacturer introduces that the chain must be prepared to check whether there are screws in the chain before starting, and the structural parts are loose. Other materials that are not unrelated to transportation should be removed before starting. Adjust it when reflecting on the support of the chain.

After the chain rotates for some time, turn off the switching power supply, check the transmission gear, the driver chain buckle, and whether the screws of the equipment are loose.

Check whether the chain can be opened normally, and check whether the setting is appropriate for actual operation. Make sure it is synchronized.
When the chain is in operation, its conveying capacity is very large, so a small error may cause the entire chain to be damaged.

Through the above introduction, Agricultural Chain Manufacturers hopes that you can simply refer to the content of this article in future use.

https://www.hzqjchain.com/

  • Марта 10 2021 в 04:13
     

Новые блоги

Топ-поиски

  Искомое слово  
S�g tekst...   casino  
Søg tekst...   Search text...  
S?g tekst...   S?g  
S�g   S�g tekst...  
S�g tekst...   Søg tekst... ORDER BY 1